欢迎来到天恒伟业集团 —— 现代挖掘机江苏、安徽、山东、上海经销商
欢迎来到天恒伟业集团   ——  现代挖掘机江苏、安徽、山东、上海经销商
服务热线:400-8819-882  18951208765

电子邮箱:jsthwy888@163.com

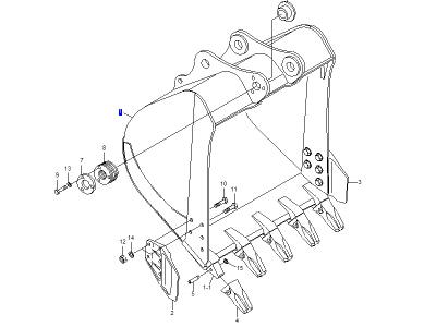
R225LC-9T铲斗/韩国现代挖掘机正品配件

  • 现代公司正品配件

  • 质量值得依赖,性价比高

  • 价格、更多配件图片,参数,性能等信息可点击“立即购买”查看。

技术参数
零件编号 61Q6-31000 名称 铲斗
产品类别 结构件 更换频率 损坏后更换新件
适用机型 R215-9、R215-9C、R225LC-9、R225LC-9T
立即购买 联系客服
详细说明

 

手机
官网
扫描手机官网
扫描打开手机官网
在线
客服